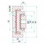
The TSRT-60 is particularly suited for dynamic loading where shock and vibration with torsional demands are required. Having a low 60mm height with slim 26mm width, makes it an excellent choice for vehicular drawer systems and train battery boxes, where space is restricted. Military uses for this slide are extensive, especially with optional stainless steel 316L bearings fitted to reduce corrosion.
This is an extreme load/duty, full extension telescopic slide (150-314 kg/pair). At 800mm 1 pair has a full extension load capacity of 300 kg. Constructed from cold drawn steel sections, milled for accuracy, and fitted with caged ball bearings, the TSRT-60 telescopic slide has an excellent level of resistance to shock and vibration when supporting a dynamic load in the closed position. Accordingly, this slide is well suited to mounting in vehicles. This is a very strong compact slide, utilising a nested beam format, whereby a milled outer ‘C’ section shrouds the two inner mobile beams. This provides a narrow fitting space whilst maintaining a high load capacity. TSRT slides are designed to have easily accessible countersunk mounting holes on the outer beam, for ease of fitting into a cabinet. The drawer then mounts directly via threaded holes on the inner beam.
TSRT slides can be manufactured from 316L stainless steel for OEM projects with an interchangeable option for ship-borne equipment, where minimal electro-magnetic signature is required. Please consult our sales engineers for MOQ’s and pricing. Additional product variations can be produced with bespoke closed lengths, extensions, mounting options, surface treatments and stainless ball bearings/cages. The TSRT-60 drawer slide may also be fitted in the minor axis (flat). However, the load capacity will be reduced by 60-80% of the stated loading. It can be supplied with a 120% extension which will reduce the load capacity.
The production process is ISO9001-2015 accredited. Our steel telescopic slides are manufactured from cold drawn steel C45E+C in accordance with EN 10277. Laser cut ball cages are manufactured from zinc plated sheet metal, and the ball bearings are carbon steel C85 G100 in accordance with DIN 5401. Standard Professional Range steel slides are RoHS & REACH certified to withstand over 1,000 hours corrosion protection, until the appearance of red rust. This is due to the investment made in our own state of the art electrolytic alkaline zinc processing facility. Core steel C45 E+C, with a layer depth of 10-12 microns conforming to DIN EN ISO 9227 neutral salt spray testing. No white rust appearance within 120 hours. No red rust within 1,032 hours.
An individual slide weighs 8.9 kg per metre.
