The DDTS range of slides offer a super extension of 200% as standard. Utilising heavy duty ‘I’ beams the slide is able to maintain rigidity in demanding applications where the travel exceeds the closed length by a factor of two.
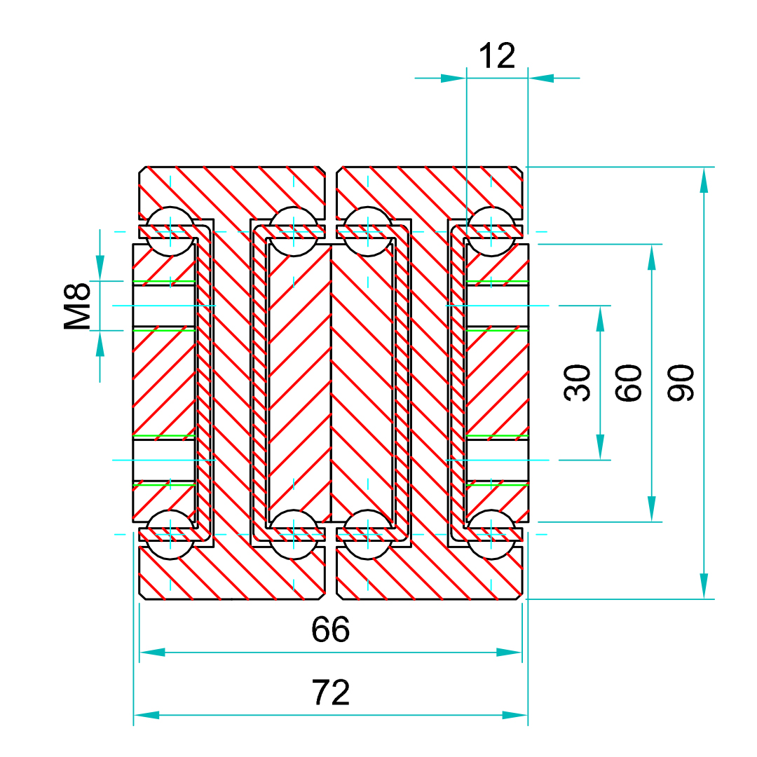
The DDTS-90 slide with a closed length of 600mm has a travel of 1,200mm (1,800mm overall) with a loading of 600 kg per fully extended pair. Constructed from 5 cold drawn steel sections this full action ball bearing slide has high precision and excellent level of resistance to shock and vibration when supporting a static load in the closed position. Accordingly, this slide is well suited to mounting on vehicles. This is a very strong compact slide, utilising the I beam format, which offers high resistance against axial and coaxial torque loading. Resulting in minimal deflection at full extension and low operating forces.
Additional product variations can be produced with bespoke closed lengths, extensions, mounting options, surface treatments and stainless ball bearings/cages. The DDTS-90 drawer slide may also be fitted in the minor axis (flat). However, the load capacity will be reduced by 60-80% of the stated loading.
The production process is ISO9001-2015 accredited. Our steel telescopic slides are manufactured from cold drawn steel C45E+C in accordance with EN 10277. Laser cut ball cages are manufactured from zinc plated sheet metal, and the ball bearings are carbon steel C85 G100 in accordance with DIN 5401. Standard Professional Range steel slides are RoHS & REACH certified to withstand over 1,000 hours corrosion protection, until the appearance of red rust. This is due to the investment made in our own state of the art electrolytic alkaline zinc processing facility. Core steel C45 E+C, with a layer depth of 10-12 microns conforming to DIN EN ISO 9227 neutral salt spray testing. No white rust appearance within 120 hours. No red rust within 1,032 hours.
An individual slide weighs 39.67 kg per metre.
