Four beam telescopic slides enable the drawer to be extended out 150% from the stowed position. A closed length of 1,000mm can provide 1,500mm of travel (2,500mm fully extended). Ideal for vehicle use where fitting space is limited. The QSRT-60 is used widely throughout the fire truck industry, where portable pump carriers are withdrawn beyond the truck chassis and provide extra space to facilitate a four-person lift.
The QSRT-60 is an extreme load/duty super extension telescopic slide (70-230 kg/pair) suitable for a wide range of applications. At 550mm 1 pair has a full extension load capacity of 225 kg.
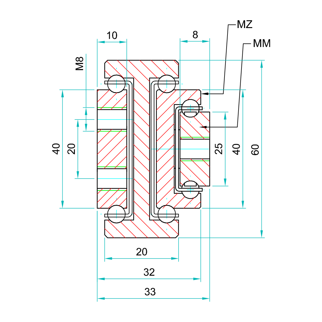
Constructed from cold drawn steel sections and fitted with caged ball bearings, the QSRT-60 telescopic slide has an excellent level of resistance to shock and vibration when supporting a dynamic load in the closed position. Accordingly, this slide is well suited to mounting on vehicles. This is a very strong compact slide, utilising the I beam format, which offers high resistance against axial and coaxial torque loading. Resulting in minimal deflection at full extension and low operating forces.
Additional product variations can be produced with bespoke closed lengths, extensions, mounting options, surface treatments and stainless ball bearings/cages. We do not recommend QSRT slides are fitted in the minor axis (flat), without due consideration to substantial load reductions.
The production process is ISO9001-2015 accredited. Our steel telescopic slides are manufactured from cold drawn steel C45E+C in accordance with EN 10277. Laser cut ball cages are manufactured from zinc plated sheet metal, and the ball bearings are carbon steel C85 G100 in accordance with DIN 5401. Standard Professional Range steel slides are RoHS & REACH certified to withstand over 1,000 hours corrosion protection, until the appearance of red rust. This is due to the investment made in our own state of the art electrolytic alkaline zinc processing facility. Core steel C45 E+C, with a layer depth of 10-12 microns conforming to DIN EN ISO 9227 neutral salt spray testing. No white rust appearance within 120 hours. No red rust within 1,032 hours.
An individual slide weighs 12.24 kg per metre.
