The DTS-60 is a rugged, strong and very compact telescopic slide, which has been designed for load maximisation from a small space envelope. Particularly suited to train battery boxes, military generators and access platforms, it has a wide range of applications where torsional strength is paramount. As this slide is also available in 316L stainless steel, it is specified throughout the defence industry for land and sea systems, where product interchangeability by operational environment is paramount.
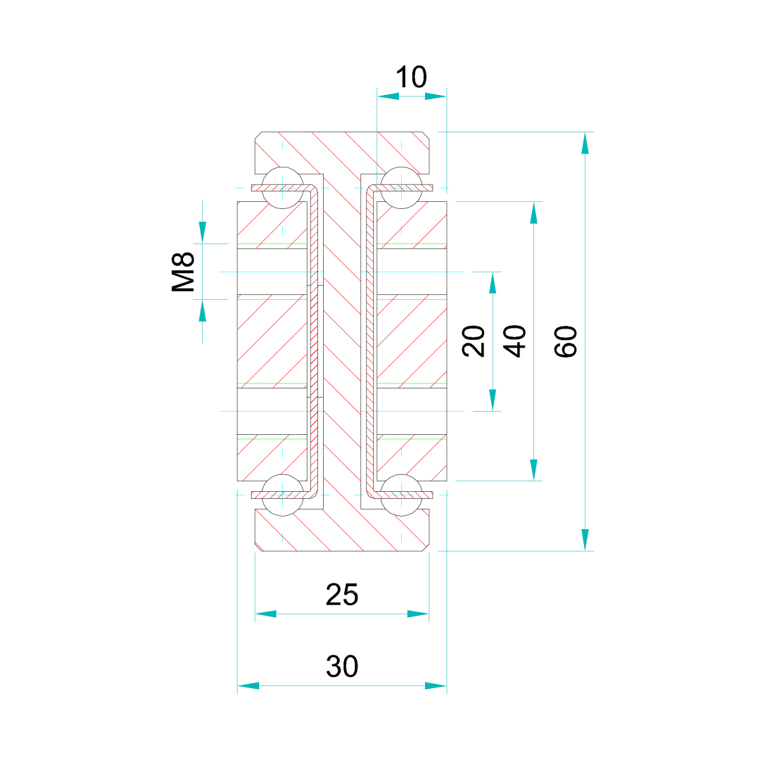
The DTS-60 is an extreme load/duty, full extension telescopic slide (150-600 kg/pair). At 550mm 1 pair has a full extension load capacity of 550 kg. Constructed from cold drawn steel sections and fitted with caged ball bearings, the DTS-60 telescopic slide has an excellent level of resistance to shock and vibration when supporting a dynamic load in the closed position. Accordingly, this slide is well suited to mounting on vehicles. This is a very strong compact slide, utilising the I beam format, which offers high resistance against axial and coaxial torque loading. Resulting in minimal deflection at full extension and low operating forces.
Additional product variations can be produced with bespoke closed lengths, extensions, mounting options, surface treatments and stainless ball bearings/cages. The DTS-60 drawer slide may also be fitted in the minor axis (flat). However, the load capacity will be reduced by 60-80% of the stated loading. It can be supplied with a 120% extension which will reduce the load slightly. Please consult our sales engineers for this no cost option.
The production process is ISO9001-2015 accredited. Our steel telescopic slides are manufactured from cold drawn steel C45E+C in accordance with EN 10277. Laser cut ball cages are manufactured from zinc plated sheet metal, and the ball bearings are carbon steel C85 G100 in accordance with DIN 5401. Standard Professional Range steel slides are RoHS & REACH certified to withstand over 1,000 hours corrosion protection, until the appearance of red rust. This is due to the investment made in our own state of the art electrolytic alkaline zinc processing facility. Core steel C45 E+C, with a layer depth of 10-12 microns conforming to DIN EN ISO 9227 neutral salt spray testing. No white rust appearance within 120 hours. No red rust within 1,032 hours.
An individual slide weighs 10.61 kg per metre.
The DTSB version of this slide is fitted for an extension front and rear, equal to the closed length. Please ask our engineers for further information as it is not in our standard programme.
