The SDTSB-90 offers total extension front and rear. This is made possible by an internal rocker device which releases each beam in sequence. Ideal for thru-truck drawers, or mid-mounted train battery rafts, where access from either side may be limited.
This is a heavy load/duty full extension telescopic slide (300-600 Kg/pair) suitable for a wide range of applications. At 500mm 1 pair has a full extension load capacity of 600 kg. Constructed from milled stainless steel 316L sections, with machined ball tracks for accuracy, it has excellent levels of shock and vibration resistance. Accordingly, the product is well suited to supporting military truck drawers, offshore stowage and train battery boxes. The slide beams, cages and ball bearings are manufactured from austenitic grade 316L (1.4404). End stop bolts and retaining pins are austenitic grade 304 (1.4301), completing the corrosion protection, There is the bespoke option to manufacture an all 316L product on higher production volumes.
Due to the extreme strength of the mobile ‘I’ beam, this slide is robust to applied loads when in the extended position making it an excellent choice for dynamic applications. Unlike many other slides manufactured from rolled steel ‘C’ sections. There are no plastic parts in the manufacture of this range, making it ideal for extreme temperature use. Grade 316L is an austenitic stainless steel with a very low electro-magnetic signature, so ideal for defence applications.
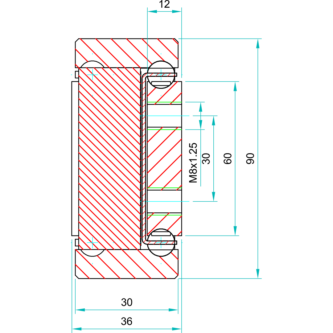
The slides are manufactured from milled stainless steel (inox) 316L. Standard ball cages are manufactured from stainless 316, and the ball bearings are 316L stainless steel. A single SDTSB-90 weighs 19.18 kg per metre.
I am text block. Click edit button to change this text. Lorem ipsum dolor sit amet, consectetur adipiscing elit. Ut elit tellus, luctus nec ullamcorper mattis, pulvinar dapibus leo.
