The SDTS-90 is particularly suited for highly corrosive applications with prolonged exposure to the elements. It is is an extreme environment telescopic slide, making it an excellent choice for marine offshore oil platforms or military vehicles working in sub-zero climates.
This is an extreme load/duty full extension telescopic slide (300–600 kg/pair) suitable for a wide range of applications. At 550mm 1 pair has a full extension load capacity of 580 kg.
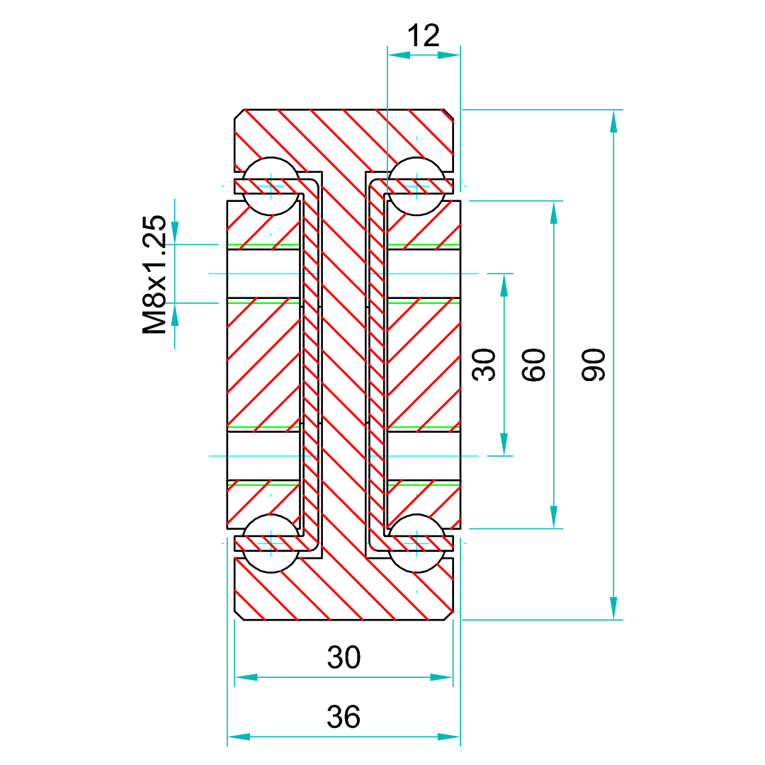
Constructed from milled stainless steel sections, with machined ball tracks for accuracy, it has excellent levels of shock and vibration resistance. Accordingly the product is well suited to supporting generators and access platforms, even with an over extension of 120%. The slide beams, cages and ball bearings are manufactured from austenitic grade 316L (1.4404). End stop bolts and retaining pins are austenitic grade 304 (1.4301), completing the corrosion protection, There is the bespoke option to manufacture an all 316L product on higher production volumes.
Due to the extreme strength of the mobile ‘I’ beam, this slide is robust to applied loads when in the extended position making it an excellent choice for dynamic applications. Unlike many other slides manufactured from rolled ‘C’ sections. There are no plastic parts in the manufacture of this range, making it ideal for high temperature use. A single SDTS-90 weighs 19.78 kg per metre.
The SDTS-90 drawer slide may also be fitted in the minor axis (flat). However, the load capacity will be reduced by 60-80% of the stated loading. It can be supplied with a 120% extension which will reduce the load slightly. Please consult our sales engineers for this no cost option
