The DOWS-50 is an extreme load/duty full extension telescopic slide (175Kg–475Kg/pair) suitable for a wide range of applications, including maintenance platforms, display vehicle extensions or aircraft wing walkways. At 550mm one pair has a full extension load capacity of 475Kg with a very high safety margin.
Constructed from cold drawn steel sections this ball-bearing drawer slide has a high precision and excellent level of resistance to shock and vibration when supporting a static load in the closed position. Accordingly, the slider is well suited to mounting on military vehicles. Constructed in the tried and tested I beam format, this telescopic slide offers a low overall slide height for its high load capacity. This slide also has good resistance to applied loads when in the extended position making it an excellent choice for dynamic applications and manually operated systems with high levels of torque at long lengths.
Additional slider variations may be produced with alternative closed lengths, extensions, mounting systems, surface treatments, and ball bearings. The DOWS-50 slide may also be used in the minor axis (flat) but the load capacity will be reduced to approximately 60% (depending on slide length) with an increase in deflection.
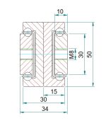
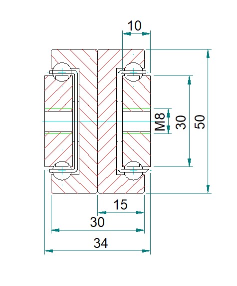
The slides are manufactured from cold drawn steel C45E+C in accordance with EN 10277. Standard ball cages are manufactured from zinc plated sheet metal, and the ball bearings are carbon steel C85 G100 in accordance with DIN 5401. A single DOWS-50 weighs 10.20 kg per metre.
